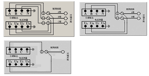
测试开始前,将测量端的线路引下线可靠接入大地,并将面板左上角的仪器接地端子可靠接入大地,然后分别将电源输出信号地N和电压输入信号地UN分别可靠接入大地,将测试电源输出端子A、B、C连接到线路测量引下线仪器电源侧,最后将电压测量端子UA、UB、UC接入线路引下线线路侧,如图5-1,输电线路异频参数测试系统测试接线完成后,再打开线路引下线的接地,以保证设备和操作人员安全。
输电线路异频参数测试系统测试采用四极法原理,被测线路需要电流引下线3根,电压引下线3根,电流测试线位于测试电源侧,电压引下线位于线路侧,以消除测量端的测试线和接触电阻的影响。如果测试引下线只引出3个端子,尽量用截面积足够大的导线,并保证与线路测量端可靠连接,避免引入较大的接线误差。
仪器测试接线极为简捷,只需一次接入上述测试线,通过仪器自动控制测量方式和被测线路对端接线方式配合,即可完成所有序参数测量,大大提高测试效率和操作安全性。零序测试时,仪器内部已经将A、B、C三相短接输出。但电压测试通道会测试到引线电阻,导致引起额外的误差。 如果线路很短,为确保测试准确度,零序阻抗测试时,请严格按照接线图接线。输电线路异频参数测试系统内部已经将N、UN、左上角的仪器接地端等三个柱子可靠连接,现场接线时可以只连接左上角的接地端到大地就可以了。
在正序电容(正序开路)测试中,被测线路对端(相对于测量端)开路,将仪器电源输出引至被测线路测量端外侧电流引下线,电压测量输入端接至电压引下线,三相、两相、单相回路的测试接线如图5-1所示。
图5-1 正序电容测试接线及对端操作示意图
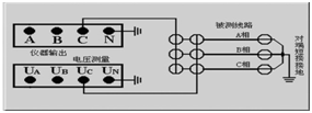
进行正序阻抗(正序短路)测试时,将对端短接接地,如图5-2。实际测量中,由于输电线路异频参数测试系统测试电源三相平衡度较高,对端完全可以接地,不会引入超过精度要求的测量误差。这样,可以与零序阻抗测试时的对端状况保持一致,简化对端操作,提高工作效率。 
在零序电容(零序开路)测试中,通过输电线路异频参数测试系统内部的控制回路切换测试信号连接方式,实际的测试接线相当于图5-3所示的连接关系。零序电容测试中,测量端三相短接,仪器只输出一相测试电源到被测线路。对端保持三相开路状态,不影响测试准确度,与正序电容状态一致,可以简化对端操作,提高工作效率。
图3零序电容测试实际接线连接关系示意图 零序阻抗(零序短路)测试时,将对端线路短接,并可靠接至大地,如图5-4所示,其余信号引线与零序电容测量时保持一致。
图4零序电容测试实际接线连接关系示意图
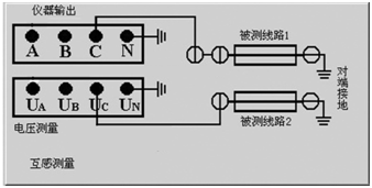
测试两条输电线路间的互感时,被测线路测量端和对端三相分别短接,对端接大地,将输出C和电压测量端子UC分别接入被测线路1的测试引下线,被测线路2的测量端引下线接入面板互感测量端子UH(UC),端子UL(UN)接大地,如图5-5所示。
图5-5互感测试接线示意图
测试两条输电线路间的耦合电容时,被测线路1,2的测量端和对端三相分别短接,对端不接地,被测线路1的电流引下线接至仪器输出端C,电压引下线接至电压测量端UC,被测线路2的首端分别接至UN和N端,N端接大地,如图5-6。
图5-6的电路实际上测量的是线路1、2之间的耦合电容和被测线路1的零序电容之和所以进行耦合电容测试前应先测量被测线路1的零序电容。
图5-6 耦合电容测试接线示意图
以DSP为内核,采用320×240 液晶显示器,旋转鼠标操作控制,界面设计简洁,现场操作方便。可以保存2048组测试数据,配置一个USB接口,可以将测试数据通过U盘导出到PC机数据分析管理软件系统;面板微型打印机现场直接打印测试数据,方便快捷。
电源打开后,进入主界面,如图6-1所示。检查好测试接线后,选择界面上提示的按钮,进行相应的测试。

在主界面中,旋转鼠标到"正序阻抗"功能为反白显示,按压鼠标,弹出图6-2对话框。
图6-1 系统软件启动界面(主界面) 图6-2 输入线路长度菜单
此时提示操作者输入线路长度,默认长度是1km。请输入此参数,便于输电线路异频参数测试系统在数据保存、打印等过程能正确输出每公里的测试参数。点击"确认"后,出现6-3的干扰测试界面。
图6-1 系统软件启动界面(主界面) 图6-3 50Hz干扰测试界面
图6-1 系统软件启动界面(主界面) 图6-4 47.5Hz测试界面
干扰信号测试完成后,显示干扰信号的值,并判断干扰信号是否超标,如果超标,仪器将退出测试流程。反之,进入47.5Hz的测试流程,如图6-4所示。程序设定为接入测试电源后(抑制后)的干扰电压<250V,干扰电流<40A。47.5Hz,试验完成后,仪器立即转入52.5Hz的试验流程,如图6-5所示。
图6-1 系统软件启动界面(主界面) 图6-5 52.5Hz测试界面
两个频率的试验完成后,进入降压过程,投入保护,显示最终的测试结果。同时,弹出"保存"、"打印"和"退出"菜单。如图6-6所示。
图6-1 系统软件启动界面(主界面) 图6-6 测试完成后的菜单
显示的测试结果有三行。第一行是测试的总阻抗;第二行是总阻抗的模和角度;第三行是每公里阻抗。电容测试完成后的现实界面如图6-7所示。第一行显示测试的总电容值,第二行显示每公里电容值。
图6-1 系统软件启动界面(主界面) 图6-7 试验结果显示
以上介绍的是正序阻抗的测试操作及试验流程,其它项目除了接线有差异外,操作和试验流程类同。
输电线路异频参数测试系统的数据记录依赖时间作为数据标签。因此正确地设置时间十分必要。设置时间的界面如图6-8所示。
第一行显示的是日期,如:2009/11/08,表示的是2009年11月8日。第二行显示的是时间,如:14:38:54,表示的是当前时间为14点38分54秒。
鼠标操作方法:旋转鼠标(不按压)移动光标,按压鼠标(不能弹起)的同时旋转鼠标,改变当前光标位置的数值。
输入完成后,选择"yes"保存设置后返回,选择"no"不保存设置返回。
图6-1 系统软件启动界面(主界面) 图6-8 时间设置菜单
文件管理有"打开"、"删除"、"导出"等三个功能菜单。
打开:打开保存好的数据记录,进行查看、打印。
删除:整盘删除存储记录,删除已经导出的无用数据,便于检索过程的简洁明朗。
删除前请确认数据已经成功导入到上位计算机。导出:将保存好的数据记录复制到U盘。
图6-1 系统软件启动界面(主界面) 图6-9 文件管理菜单
2.3.1打开文件
在6-9的菜单下,点击"打开",将弹出6-10的检索文件界面。
图6-1 系统软件启动界面(主界面) 图6-10 文件检索界面
每次进入此菜单,显示的都是最后一条数据记录。点击"向前"搜索当前记录的前一条记录;同理,点击"向后"搜索当前记录的后一条记录;每条记录显示的内容有:数据类型、数据标识(时间标签),简单的测试结果。
图中第三行的"25/25",表示总的记录数是25个,当前的记录是第25个。
选择"打印",将打印出与测试流程完全相同的测试数据。
2.3.2 删除文件
点击"删除"功能,弹出如图6-11所示的交互界面,以免误操作。
图6-1 系统软件启动界面(主界面) 图6-11 删除文件界面
2.3.3 文件导出
点击"导出",如果没有插入U盘,显示如图6-12的提示界面。反之,进入如图6-13的操作界面。
图6-1 系统软件启动界面(主界面) 图6-12 文件导出菜单1
图6-1 系统软件启动界面(主界面) 图6-13 文件导出菜单2
点击"返回",仪器回到主菜单。菜单的第一行用于设置线路类型,电力系统一般为三相,铁路系统一般为二相。每按压一次,"三相"和"二相"轮流变化显示测试以前务必保证此设置项正确。开机默认为"三相"。至此,仪器的操作菜单全部介绍完成。
3.1.连接输电线路异频参数测试系统和被测线路时,保证线路测量端可靠接地(挂接地线),测试完成后恢复,取接地线;
3.2.可靠接大地,注意各个测试信号接地线要按照接线指示图完成;
3.3.在雷雨天气或者沿线路有雷雨天气时,不能进行测量,以保证人员和设备安全。